Д5-18 Для приведенной на схеме механической системы, используя принцип Даламбера, определить величину силы F, необходимую для перемещения груза с...
Термех Диевский В.А. задача Динамика 8 (Д8) на тему «ТЕОРИЯ УДАРА»: На схемах 1-30 показаны механические системы, состоящие из конструкции и...
К1-30 В соответствии с уравнением движения определить траекторию движения точки. Для заданного момента времени t найти положение точки на траектории...
C4-05 Диевский Для представленного на схеме механизма, расположенного в вертикальной плоскости, определить значение силы F из условия равновесия...
C4-14 Диевский Для представленного на схеме механизма, расположенного в вертикальной плоскости, определить значение силы F из условия равновесия...
К1-26 В соответствии с уравнением движения определить траекторию движения точки. Для заданного момента времени t найти положение точки на траектории...
Д1-29 Тело массой m = 15 кг поднимается по гладкой наклонной плоскости, составляющей угол α = 30°с горизонтом, получив начальную скорость v0 =...
Д1-23 Тело массой m = 2кг, брошенное вертикально вверх со скоростью v0 = 40 м/с, испытывает сопротивление воздуха пропорционально скорости R = -0,1v...
К1-22 В соответствии с уравнением движения определить траекторию движения точки. Для заданного момента времени t найти положение точки на траектории...
К1-28 В соответствии с уравнением движения определить траекторию движения точки. Для заданного момента времени t найти положение точки на траектории...
Д4-18 (Задание 1) Для представленной на схеме составной конструкции найти реакции опор используя принцип возможных скоростей или принцип возможных...
Д4-21 (Задание 2) Диевский Для представленной на рисунке схеме используя принцип Лагранжа, определить величину силы F (при наличии трения ...
Д4-23 (Задание 2) Диевский Для представленной на рисунке схеме используя принцип Лагранжа, определить величину силы F (при наличии трения ...
Д4-24 (Задание 2) Диевский Для представленной на рисунке схеме используя принцип Лагранжа, определить величину силы F (при наличии трения ...
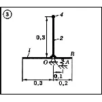
Д7-03 (Задание 1) Диевский Для приведенной на схеме механической системы определить собственную частоту колебаний. Механическая система, показанная...
Д7-06 (Задание 1) Диевский Для приведенной на схеме механической системы определить собственную частоту колебаний. Механическая система, показанная...
Д7-11 (Задание 1) Диевский Для приведенной на схеме механической системы определить собственную частоту колебаний. Механическая система, показанная...
Д7-16 (Задание 1) Диевский Для приведенной на схеме механической системы определить собственную частоту колебаний. Механическая система, показанная...
Д7-18 (Задание 1) Диевский Для приведенной на схеме механической системы определить собственную частоту колебаний. Механическая система, показанная...
Д7-20 (Задание 1) Диевский Для приведенной на схеме механической системы определить собственную частоту колебаний. Механическая система, показанная...
Д7-22 (Задание 1) Диевский Для приведенной на схеме механической системы определить собственную частоту колебаний. Механическая система, показанная...
Д7-24 (Задание 1) Диевский Для приведенной на схеме механической системы определить собственную частоту колебаний. Механическая система, показанная...
Д7-04 (Задание 2) Диевский Механическая система снабжается невесомым вязким демпфером, который устанавливается в точке B параллельно оси упругого...
Д7-06 (Задание 2) Диевский Механическая система снабжается невесомым вязким демпфером, который устанавливается в точке B параллельно оси упругого...
Д7-11 (Задание 2) Диевский Механическая система снабжается невесомым вязким демпфером, который устанавливается в точке B параллельно оси упругого...
