Найдено: 1104


Задание С1 по теме система сходящихся сил: Для представленных на схемах 1-30 механических систем найти усилия в опорных стержнях 1 и 2. Вес груза G =...

Задание Статика 1 (С1) по теме система сходящихся сил: Для представленных на схемах 1-30 механических систем найти усилия в опорных стержнях 1 и 2...

Задание Статика 1 (С1) по теме система сходящихся сил: Для представленных на схемах 1-30 механических систем найти усилия в опорных стержнях 1 и 2...

Термех Диевский В.А. задание Статика 2 (С2) на тему «Плоская система сил»: Для представленных на схемах 1-30 тел определить реакции опор. Приведенные...

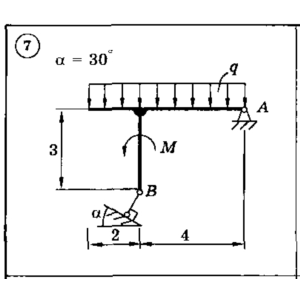
"Термех Диевский В.А. задание Статика 2 (С2) на тему «Плоская система сил»: Для представленных на схемах 1-30 тел определить реакции опор...

"Термех Диевский В.А. задание Статика 2 (С2) на тему «Плоская система сил»: Для представленных на схемах 1-30 тел определить реакции опор...

"Термех Диевский В.А. задание Статика 2 (С2) на тему «Плоская система сил»: Для представленных на схемах 1-30 тел определить реакции опор...

"Термех Диевский В.А. задание Статика 2 (С2) на тему «Плоская система сил»: Для представленных на схемах 1-30 тел определить реакции опор...

"Термех Диевский В.А. задание Статика 2 (С2) на тему «Плоская система сил»: Для представленных на схемах 1-30 тел определить реакции опор...

Термех Диевский В.А. задача Кинематика 2 (К2) на тему «Простейшие виды движения твердого тела»: Для приведенных ниже схем механизмов 1-30 по...

Термех Диевский В.А. задача Кинематика 2 (К2) на тему «Простейшие виды движения твердого тела»: Для приведенных ниже схем механизмов 1-30 по...

Термех Диевский В.А. задача Кинематика 2 (К2) на тему «Простейшие виды движения твердого тела»: Для приведенных ниже схем механизмов 1-30 по...

Термех Диевский В.А. задача Кинематика 2 (К2) на тему «Простейшие виды движения твердого тела»: Для приведенных ниже схем механизмов 1-30 по...

Термех Диевский В.А. задача Кинематика 2 (К2) на тему «Простейшие виды движения твердого тела»: Для приведенных ниже схем механизмов 1-30 по...

Термех Диевский В.А. задача Кинематика 3 (К3) на тему «Плоскопараллельное движения твердого тела»: Для представленных на схемах 1-30 механизмов...

Термех Диевский В.А. задача Кинематика 3 (К3) на тему «Плоскопараллельное движения твердого тела»: Для представленных на схемах 1-30 механизмов...

Термех Диевский В.А. задача Кинематика 3 (К3) на тему «Плоскопараллельное движения твердого тела»: Для представленных на схемах 1-30 механизмов...

Термех Диевский В.А. задача Кинематика 3 (К3) на тему «Плоскопараллельное движения твердого тела»: Для представленных на схемах 1-30 механизмов...

Термех Диевский В.А. задача Кинематика 3 (К3) на тему «Плоскопараллельное движения твердого тела»: Для представленных на схемах 1-30 механизмов...

Термех Диевский В.А. задача Кинематика 4 (К4) на тему «Сложное движение точки»: В приведенных ниже схемах 1-30 рассматривается движение точки М в...

Термех Диевский В.А. задача Кинематика 4 (К4) на тему «Сложное движение точки»: В приведенных ниже схемах 1-30 рассматривается движение точки М в...

Решение задачи Д1 В 5.   Телу сообщается начальная скорость v0 = 6,6 м/с, и оно начинает скользить вверх по шероховатой наклонной плоскости...

Решение задачи Д1 В 6.   На тело массой т, движущееся по горизонтальной гладкой поверхности вдоль оси х, действует сила, проек­ция которой равна Fx =...

Решение задачи Д1 В 11.   Лодке массой т = 50 кг сообщается начальная ско­рость v0 = 2,7 м/с. При движении на лодку действует сила сопротивления...

Решение задачи Д2 В2. Вращавшийся с угловой скоростью w0 = 2,5 рад/с ротор электродвигателя начинает тормозиться силами аэро­динамического...