C2-29 Диевский Для представленного на схеме тела определить реакции опор. Приведенные на схеме нагрузки имеют следующие величины: вес груза G = 10...
C3-07 Диевский Для представленной на схеме составной конструкции найти реакции опор. Размеры указаны в метрах. Весом элементов конструкции...
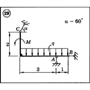
C3-11 Диевский Для представленной на схеме составной конструкции найти реакции опор. Размеры указаны в метрах. Весом элементов конструкции...
Д3-05 (Задание 1) Диевский Для приведенной на схеме механической системы, используя теорему об изменении кинетической энергии в дифференциальной...
Д3-10 (Задание 1) Диевский Для приведенной на схеме механической системы, используя теорему об изменении кинетической энергии в дифференциальной...
Задание Статика 1 (С1) по теме система сходящихся сил: Для представленных на схемах 1-30 механических систем найти усилия в опорных стержнях 1 и 2...
Задание Статика 1 (С1) по теме система сходящихся сил: Для представленных на схемах 1-30 механических систем найти усилия в опорных стержнях 1 и 2...
К3-16 Для приведенного на схеме механизма, состоящего из шатуна AB длиной 2 м и двух ползунов, по заданным величинам скорости и ускорения ползуна A...
Термех Диевский В.А. две задачи Динамика 3 (Д3) на тему «ТЕОРЕМА ОБ ИЗМЕНЕНИИ КИНЕТИЧЕСКОЙ ЭНЕРГИИ»: ЗАДАНИЕ 1: Для приведенных на схемах 1-30...
Термех Диевский В.А. две задачи Динамика 3 (Д3) на тему «ТЕОРЕМА ОБ ИЗМЕНЕНИИ КИНЕТИЧЕСКОЙ ЭНЕРГИИ»: ЗАДАНИЕ 1: Для приведенных на схемах 1-30...
Термех Диевский В.А. две задачи Динамика 3 (Д3) на тему «ТЕОРЕМА ОБ ИЗМЕНЕНИИ КИНЕТИЧЕСКОЙ ЭНЕРГИИ»: ЗАДАНИЕ 1: Для приведенных на схемах 1-30...
Термех Диевский В.А. две задачи Динамика 3 (Д3) на тему «ТЕОРЕМА ОБ ИЗМЕНЕНИИ КИНЕТИЧЕСКОЙ ЭНЕРГИИ»: ЗАДАНИЕ 1: Для приведенных на схемах 1-30...
Термех Диевский В.А. задача Динамика 5 (Д5) на тему «Принцип Даламбера»: Для приведенных на схемах 1-30 механических систем, используя принцип...
Термех Диевский В.А. задача Динамика 5 (Д5) на тему «Принцип Даламбера»: Для приведенных на схемах 1-30 механических систем, используя принцип...
Термех Диевский В.А. задача Динамика 6 (Д6) на тему «УРАВНЕНИЯ ЛАГРАНЖА ВТОРОГО РОДА»: Для приведенных на схемах 1-30 механических систем, используя...
Термех Диевский В.А. задача Динамика 6 (Д6) на тему «УРАВНЕНИЯ ЛАГРАНЖА ВТОРОГО РОДА»: Для приведенных на схемах 1-30 механических систем, используя...
Термех Диевский В.А. задача Динамика 6 (Д6) на тему «УРАВНЕНИЯ ЛАГРАНЖА ВТОРОГО РОДА»: Для приведенных на схемах 1-30 механических систем, используя...
Термех Диевский В.А. задача Динамика 6 (Д6) на тему «УРАВНЕНИЯ ЛАГРАНЖА ВТОРОГО РОДА»: Для приведенных на схемах 1-30 механических систем, используя...
Термех Диевский В.А. задача Динамика 6 (Д6) на тему «УРАВНЕНИЯ ЛАГРАНЖА ВТОРОГО РОДА»: Для приведенных на схемах 1-30 механических систем, используя...
Решение задачи Д2 В21. Маховик массой 100 кг и радиусом 80 см, вращавшийся с угловой скоростью wo = 15 рад/с, начинает испытывать силы...
Термех Диевский В.А. задание 2 задача Динамика 4 (Д4) на тему «ПРИНЦИП ЛАГРАНЖА»: Д4 ЗАДАНИЕ 2: Для представленных на рисунках схем 1-30, используя...
Термех Диевский В.А. задача Динамика 3 (Д3) задание 1 на тему «ТЕОРЕМА ОБ ИЗМЕНЕНИИ КИНЕТИЧЕСКОЙ ЭНЕРГИИ»: ЗАДАНИЕ 1: Для приведенных на схемах 1-30...
Теоретическая механика Диевский В.А. задание 1 задача Динамика 3 (Д3) на тему «ТЕОРЕМА ОБ ИЗМЕНЕНИИ КИНЕТИЧЕСКОЙ ЭНЕРГИИ»: ЗАДАНИЕ 2: Для приведенных...
К3-06 Для приведенного на схеме механизма, состоящего из шатуна AB длиной 2 м и двух ползунов, по заданным величинам скорости и ускорения ползуна A...
К2-14 Для приведенной ниже схемы механизма по заданному уравнению движения вала 3 - φ3(t) определить и показать на рисунке скорость и ускорение точки...
