Д5 В26 - решение задачи по термеху из Тарга С.М. 1989 года. Условие к задаче Динамика 5: Однородная горизонтальная платформа (круглая радиуса R или...
Сразу после оплаты вам будет предложена ссылка для скачивания задачи Д5 Вариант 69 (рисунок 6 условие 9) по теормеху из решебника Тарга С.М. 1989...
Решение задачи Д6 Вариант 40 - по термеху из Тарга С.М. 1989 года. Условие к задаче Динамика 6: Механическая система состоит из грузов 1 и 2...
Решение задачи по теормеху из Тарга С.М. 1989 г. Д10 Вариант 15. Условие к задаче Динамика 10 (Полное условие на странице 91): Механическая система...
Решение задачи по теормеху из Тарга С.М. 1989 г. Д10 Вариант 24. Условие к задаче Динамика 10 (Полное условие на странице 91): Механическая система...
Решение задачи по теормеху из Тарга С.М. 1989 г. Д10 Вариант 39. Условие к задаче Динамика 10 (Полное условие на странице 91): Механическая система...
После оплаты скачайте и распечатайте решение задачи Д10 Вариант 95 (рисунок 9 условие 5) по теормеху из решебника Тарга С.М. 1989 года для...
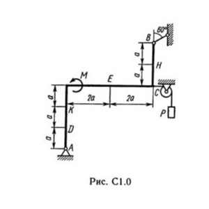
С1. Жесткая рама расположена в вертикальной плоскости, закреплена в точке А шарнирно, а в точке В прикреплена или к невесомому стержню с шарнирами на...
Решение С1-02 (Рисунок С1.0 условие 2 С.М. Тарг 1989 г) Жесткая рама, расположенная в вертикальной плоскости (рис. С1.0 — С1.9, табл. С1), закреплена...
Решение С1-07 (Рисунок С1.0 условие 7 С.М. Тарг 1989 г) Жесткая рама, расположенная в вертикальной плоскости (рис. С1.0 — С1.9, табл. С1), закреплена...
Решение С1-11 (Рисунок С1.1 условие 1 С.М. Тарг 1989 г) Жесткая рама, расположенная в вертикальной плоскости (рис. С1.0 — С1.9, табл. С1), закреплена...
Решение С1-34 (Рисунок С1.3 условие 4 С.М. Тарг 1989 г) Жесткая рама, расположенная в вертикальной плоскости (рис. С1.0 — С1.9, табл. С1), закреплена...
Решение С1-48 (Рисунок С1.4 условие 8 С.М. Тарг 1989 г) Жесткая рама, расположенная в вертикальной плоскости (рис. С1.0 — С1.9, табл. С1), закреплена...
Решение С1-63 (Рисунок С1.6 условие 3 С.М. Тарг 1989 г) Жесткая рама, расположенная в вертикальной плоскости (рис. С1.0 — С1.9, табл. С1), закреплена...
Решение С1-90 (Рисунок С1.9 условие 0 С.М. Тарг 1989 г) Жесткая рама, расположенная в вертикальной плоскости (рис. С1.0 — С1.9, табл. С1), закреплена...
Решение задачи Д1 Вариант 52 из решебника по теоретической механике методички Тарг С.М. 1983 года. Условие задачи Д1 (Стр. 29-31 задачника Тарг С.М...
Решение задачи Д1 Вариант 71 из решебника по теоретической механике методички Тарг С.М. 1983 года. Условие задачи Д1 (Стр. 29-31 задачника Тарг С.М...
Готовое решение задачи Д4 Вариант 33 из решебника по теоретической механике (термех) задачника Тарг С.М. 1983 года. Условие задачи Д4 (Стр. 43-46...
Решение С2-14 (Рисунок С2.1 условие 4 С.М. Тарг 1989 г) Конструкция состоит из жесткого угольника и стержня, которые в точке С или соединены друг с...
Решение С2-17 (Рисунок С2.1 условие 7 С.М. Тарг 1989 г) Конструкция состоит из жесткого угольника и стержня, которые в точке С или соединены друг с...
Решение С2-26 (Рисунок С2.2 условие 6 С.М. Тарг 1989 г) Конструкция состоит из жесткого угольника и стержня, которые в точке С или соединены друг с...
Решение С2-40 (Рисунок С2.4 условие 0 С.М. Тарг 1989 г) Конструкция состоит из жесткого угольника и стержня, которые в точке С или соединены друг с...
Решение С2-45 (Рисунок С2.4 условие 5 С.М. Тарг 1989 г) Конструкция состоит из жесткого угольника и стержня, которые в точке С или соединены друг с...
Решение С4-52 (Рисунок С4.5 условие 2 С.М. Тарг 1989 г) Две однородные прямоугольные тонкие плиты жестко соединены (сварены) под прямым углом друг к...
Решение К1-02 (Рисунок К1.0 условие 2 С.М. Тарг 1989 г) Под номером К1 помещены две задачи К1а и К1б, которые надо решить. Задача К1а. Точка В...
