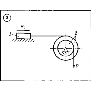
С1-10 Диевский Для представленной на рисунке механической системы найти усилия в опорных стержнях 1 и 2. Вес груза G = 10кН, стержни, блоки и тросы...
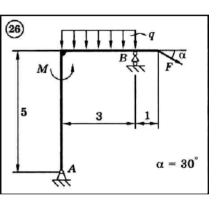
C2-26 Диевский Для представленного на схеме тела определить реакции опор. Приведенные на схеме нагрузки имеют следующие величины: вес груза G = 10...
C3-09 Диевский Для представленной на схеме составной конструкции найти реакции опор. Размеры указаны в метрах. Весом элементов конструкции...
Термех Диевский В.А. задание Статика 3 (С3) на тему «Плоская система сил (Система двух тел)»: Для представленных на схемах 1-30 составных конструкций...
Термех Диевский В.А. задание Статика 4 (С4) на тему «Система сил при наличии трения»: Для представленных на схемах 1-30 механизмов, расположенных в...
Термех Диевский В.А. задание Статика 4 (С4) на тему «Система сил при наличии трения»: Для представленных на схемах 1-30 механизмов, расположенных в...
Термех Диевский В.А. задача Статика 5 (С5) на тему «Пространственная система сил»: Для представленных на схемах 1-30 тел определить реакции опор...
Термех Диевский В.А. задача Статика 5 (С5) на тему «Пространственная система сил»: Для представленных на схемах 1-30 тел определить реакции опор...
Термех Диевский В.А. задача Статика 5 (С5) на тему «Пространственная система сил»: Для представленных на схемах 1-30 тел определить реакции опор...
Термех Диевский В.А. задача Кинематика 2 (К2) на тему «Простейшие виды движения твердого тела»: Для приведенных ниже схем механизмов 1-30 по...
Термех Диевский В.А. две задачи Динамика 3 (Д3) на тему «ТЕОРЕМА ОБ ИЗМЕНЕНИИ КИНЕТИЧЕСКОЙ ЭНЕРГИИ»: ЗАДАНИЕ 1: Для приведенных на схемах 1-30...
Термех Диевский В.А. задача Динамика 5 (Д5) на тему «Принцип Даламбера»: Для приведенных на схемах 1-30 механических систем, используя принцип...
Термех Диевский В.А. задача Динамика 5 (Д5) на тему «Принцип Даламбера»: Для приведенных на схемах 1-30 механических систем, используя принцип...
Термех Диевский В.А. задача Динамика 5 (Д5) на тему «Принцип Даламбера»: Для приведенных на схемах 1-30 механических систем, используя принцип...
К4-03 В приведенной ниже схеме рассматривается движение точки М в желобе вращающегося тела. По заданному в таблице уравнениию относительного движения...
Термех Диевский В.А. задача Динамика 6 (Д6) на тему «УРАВНЕНИЯ ЛАГРАНЖА ВТОРОГО РОДА»: Для приведенных на схемах 1-30 механических систем, используя...
Термех Диевский В.А. задача Динамика 6 (Д6) на тему «УРАВНЕНИЯ ЛАГРАНЖА ВТОРОГО РОДА»: Для приведенных на схемах 1-30 механических систем, используя...
Термех Диевский В.А. задача Динамика 6 (Д6) на тему «УРАВНЕНИЯ ЛАГРАНЖА ВТОРОГО РОДА»: Для приведенных на схемах 1-30 механических систем, используя...
Термех Диевский В.А. задание 1 задача Динамика 4 (Д4) на тему «ПРИНЦИП ЛАГРАНЖА»: Д4 ЗАДАНИЕ 1: Выполнить задание СЗ, используя принцип возможных...
Термех Диевский В.А. задание 2 задача Динамика 4 (Д4) на тему «ПРИНЦИП ЛАГРАНЖА»: Д4 ЗАДАНИЕ 2: Для представленных на рисунках схем 1-30, используя...
К3-01 Для приведенного на схеме механизма, состоящего из шатуна AB длиной 2 м и двух ползунов, по заданным величинам скорости и ускорения ползуна A...
Термех Диевский В.А. задача Динамика 3 (Д3) задание 1 на тему «ТЕОРЕМА ОБ ИЗМЕНЕНИИ КИНЕТИЧЕСКОЙ ЭНЕРГИИ»: ЗАДАНИЕ 1: Для приведенных на схемах 1-30...
К3-13 Для приведенного на схеме механизма, состоящего из шатуна AB длиной 2 м и двух ползунов, по заданным величинам скорости и ускорения ползуна A...
К3-19 Для приведенного на схеме механизма, состоящего из шатуна AB длиной 2 м и двух ползунов, по заданным величинам скорости и ускорения ползуна A...
К2-12 Диевский Для приведенной ниже схемы механизма по заданному уравнению движения тела 1 - x(t) определить и показать на рисунке скорость и...
