С1-08 Диевский Для представленной на рисунке механической системы найти усилия в опорных стержнях 1 и 2. Вес груза G = 10кН, стержни, блоки и тросы...
С1-12 Диевский Для представленной на рисунке механической системы найти усилия в опорных стержнях 1 и 2. Вес груза G = 10кН, стержни, блоки и тросы...
С1-16 Диевский Для представленной на рисунке механической системы найти усилия в опорных стержнях 1 и 2. Вес груза G = 10кН, стержни, блоки и тросы...
С1-19 Диевский Для представленной на рисунке механической системы найти усилия в опорных стержнях 1 и 2. Вес груза G = 10кН, стержни, блоки и тросы...
"Термех Диевский В.А. задание Статика 2 (С2) на тему «Плоская система сил»: Для представленных на схемах 1-30 тел определить реакции опор...
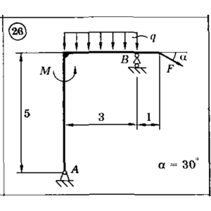
Термех Диевский В.А. задание Статика 3 (С3) на тему «Плоская система сил (Система двух тел)»: Для представленных на схемах 1-30 составных конструкций...
Термех Диевский В.А. задача Статика 5 (С5) на тему «Пространственная система сил»: Для представленных на схемах 1-30 тел определить реакции опор...
Термех Диевский В.А. задача Статика 5 (С5) на тему «Пространственная система сил»: Для представленных на схемах 1-30 тел определить реакции опор...
Термех Диевский В.А. задача Кинематика 1 (К1) на тему «Кинематика точки»: В соответствии с заданными уравнениями движения (варианты 1 - 30)...
Термех Диевский В.А. задача Кинематика 1 (К1) на тему «Кинематика точки»: В соответствии с заданными уравнениями движения (варианты 1 - 30)...
Термех Диевский В.А. задача Кинематика 1 (К1) на тему «Кинематика точки»: В соответствии с заданными уравнениями движения (варианты 1 - 30)...
Термех Диевский В.А. задача Кинематика 2 (К2) на тему «Простейшие виды движения твердого тела»: Для приведенных ниже схем механизмов 1-30 по...
Термех Диевский В.А. задача Кинематика 4 (К4) на тему «Сложное движение точки»: В приведенных ниже схемах 1-30 рассматривается движение точки М в...
Термех Диевский В.А. задача Динамика 5 (Д5) на тему «Принцип Даламбера»: Для приведенных на схемах 1-30 механических систем, используя принцип...
Термех Диевский В.А. задача Динамика 6 (Д6) на тему «УРАВНЕНИЯ ЛАГРАНЖА ВТОРОГО РОДА»: Для приведенных на схемах 1-30 механических систем, используя...
Термех Диевский В.А. задача Динамика 6 (Д6) на тему «УРАВНЕНИЯ ЛАГРАНЖА ВТОРОГО РОДА»: Для приведенных на схемах 1-30 механических систем, используя...
Термех Диевский В.А. задача Динамика 6 (Д6) на тему «УРАВНЕНИЯ ЛАГРАНЖА ВТОРОГО РОДА»: Для приведенных на схемах 1-30 механических систем, используя...
Решение задачи Д1 В 9. Тело начинает скользить вниз по шероховатой наклонной плоскости, составляющей угол а = 30° с горизонтом, с начальной...
Термех Диевский В.А. задача Динамика 3 (Д3) задание 1 на тему «ТЕОРЕМА ОБ ИЗМЕНЕНИИ КИНЕТИЧЕСКОЙ ЭНЕРГИИ»: ЗАДАНИЕ 1: Для приведенных на схемах 1-30...
Термех Диевский В.А. задача Динамика 3 (Д3) задание 1 на тему «ТЕОРЕМА ОБ ИЗМЕНЕНИИ КИНЕТИЧЕСКОЙ ЭНЕРГИИ»: ЗАДАНИЕ 1: Для приведенных на схемах 1-30...
Термех Диевский В.А. задача Динамика 3 (Д3) задание 1 на тему «ТЕОРЕМА ОБ ИЗМЕНЕНИИ КИНЕТИЧЕСКОЙ ЭНЕРГИИ»: ЗАДАНИЕ 1: Для приведенных на схемах 1-30...
Теоретическая механика Диевский В.А. задание 1 задача Динамика 3 (Д3) на тему «ТЕОРЕМА ОБ ИЗМЕНЕНИИ КИНЕТИЧЕСКОЙ ЭНЕРГИИ»: ЗАДАНИЕ 2: Для приведенных...
К3-08 Для приведенного на схеме механизма, состоящего из шатуна AB длиной 2 м и двух ползунов, по заданным величинам скорости и ускорения ползуна A...
Теормех Диевский В.А. задача Кинематика 3 (К3) на тему «Плоскопараллельное движения твердого тела»: Для представленных на схемах 1-30 механизмов...
К2-04 Для приведенной ниже схемы механизма по известным характеристикам груза 1 - скорости v1x и ускорению a1x определить и показать на рисунке...
