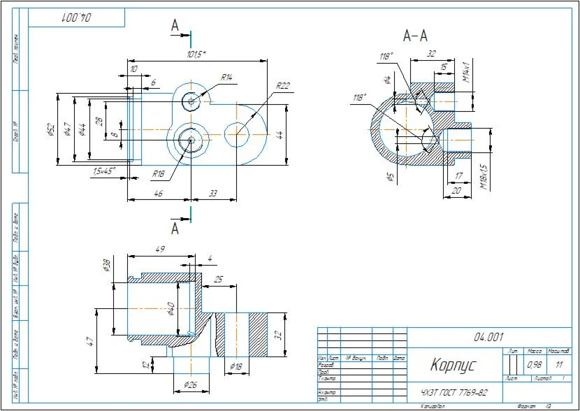
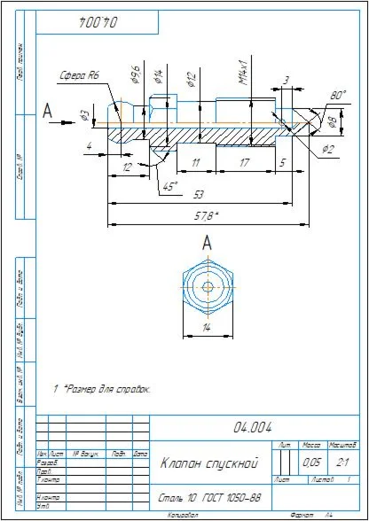
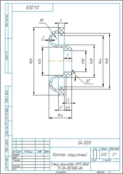
Сборочный чертеж, спецификация, 3D модель сборки 04.000 гидроцилиндр рабочий тормозной из альбома по деталированию Аксарина. Также приложены 3D модели и рабочие чертежи следующих деталей: 04.001 корпус; 04.002 штуцер; 04.003 ниппель; 04.004 клапан спускной; 04.005 поршень; 04.006 пружина; 04.007 вилка; 04.008 колпак защитный; 04.009 манжета; 04.010 шайба. Чертежи и модели выполнены в программе Компас 3D.