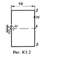
Решение к задаче К3 Вариант 24 по теоретической механике из методичке Тарга С.М. 1988 г.. Условие к задаче Кинематика №2 (стр. 26 в методичке Тарг С.М.): Прямоугольная пластина (рис. К3.0-К3.5) или круглая пластина радиусом R = 60 см (рис. К3.6-К3.9) вращается вокруг неподвижной оси с постоянной угловой скоростью "омега", заданной в таблице К3 (при знаке минус направление "омега" противоположно показанному на рисунке). Ось вращения на рис. К3.0-К3.3 и К3.8, К3.9 перпендикулярна плоскости пластины и проходит через точку О (пластина вращается в своей плоскости); на рис. К3.4-К3.7 ось вращения ОО1 лежит в плоскости пластины (пластина вращается в пространстве). По пластине вдоль прямой BD (рис. К3.0-К3.5) или по окружности радиуса R, т. е. по ободу пластины (рис. К3.6-К3.9), движется точка М. Закон ее относительного движения, выражаемый уравнением s = AM = f(t) (s – в сантиметрах, t – в секундах), задан в табл. К№ отдельно для рис. К3.0-К3.5 и для рис. К3.6-К3.9,при этом на рис. 6-9 s = AM и отсчитывается по дуге окружности; там же даны размеры b и l. На всех рисунках точка М показаны в положении, при котором s = AM > 0 (при s < 0 точка М находится по другую сторону от точки A). Определить абсолютную скорость и абсолютное ускорение точки М в момент времени t1 = 1 с.
После оплаты сразу можно будет скачать и распечатать решение задачи К3 В24 (рисунок 2 условие 4) по теормеху из решебника Тарга С.М. 1988 года для студентов-заочников. Решение разработано по методическим указаниям и контрольным заданиям для заочников энергетических и других специальностей ВУЗов. Решение оформлено в формате word, заархивировано в архив zip. Решение входит в состав товара со скидкой: "Тарг С.М. 1988 решение 10-ти задач вариант 14".
Пожалуйста, после успешной сдачи решения вернетесь на сайт и оставьте положительный отзыв. Поверьте, для меня это очень Важно.
Заранее спасибо.
Отзывов от покупателей не поступало